• 074-769-1454
  • מבוא סיוון 5, קרית גת
  • Isravacuum@gmail.com
  • Vacuum Engineering
  • משווק בלעדי של Wonvac

WBS- 80B, 85B, 90B, 95B &100B

Standard Equipment:
– Carbon Vanes – TEFC High efficiency Motor
– Vacuum Regulator & Gauge – Vibration Isolators
– Built-in particulate Filter & Silencer
– Pressure Regulator & Gauge (Optional)
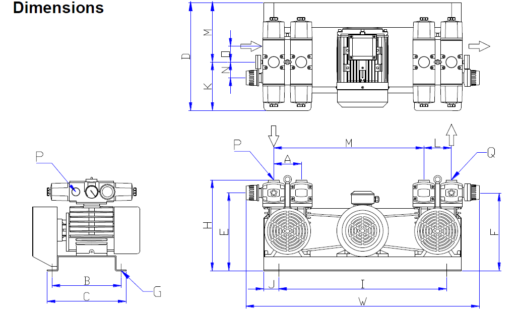
Technical data: For dimension/curve information, please see each page of the model.​

מוצרים קשורים