VCX – 1005
Dry Running – Oil Free – Contact Free Design
• Simple Modular Construction
• Air cooled & Direct Driven
• Low maintenance – No wear
• High Efficiency – Continuous Duty
General Description:
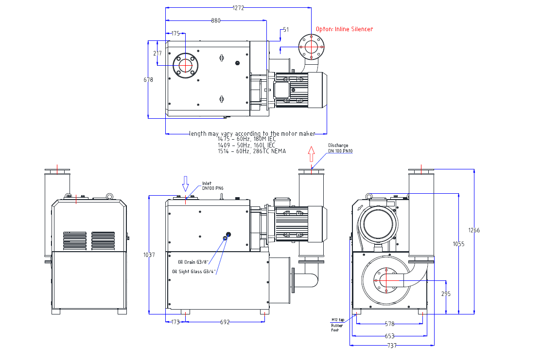
The VCX-B Series pumps are dry contact-less vacuum pumps with modular constructions consisting of
compartments: pumping and gear chambers are separated by using labyrinth seals., As two claws rotate in opposite
direction, the air will be sucked in the pumping chamber, compressed and discharged under pressure. In gear
chamber, two gears for synchronizing of claws rotation will be placed with appropriate oil lubrication. A built in antisuck
back valve installed in inlet flange will prevent the air from flowing back into the vacuum chamber when the
pump is shutdown. The pumps are directly driven by a flanged motor via a coupling.
Applications:
Packaging, CNC Routing, Wood Works,
Pneumatic Conveying, Holding & Lifting, Pick
and Place, Medical & Lab., Plastics Industries,
Central Vacuum Systems.







